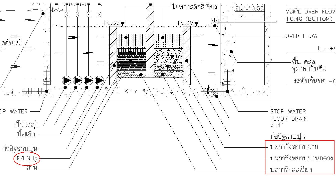
ผมเลยสงสัยน่ะครับเค้าจะใส่ ผง NH3 ทำไม ที่ผมรู้คือแอมโมเนียเป็นพิษกับสิ่งมีชีวิตไม่ใช่เหรอครับ
แล้วก็ประการัง...เราไม่ควรใส่ในปลาน้ำจืดไม่ใช่เหรอครับ เราใส่พัมมิสจะดีกว่ามั้ยครับ
ผมอยากแนะนำเค้าแต่ข้อมูลผมไม่แน่น...อยากขอความรู้จากผู้รู้ในเวบหน่อยครับ.. [on_018]








